首页>政务公开 信息公开
索 引 号 11320800014290408N/2026-00007 分  类 计划总结
发布机构 淮安工业园区 公开日期 2026-01-07
标  题 淮安工业园区政府网站工作年度报表(2025年度)
文  号
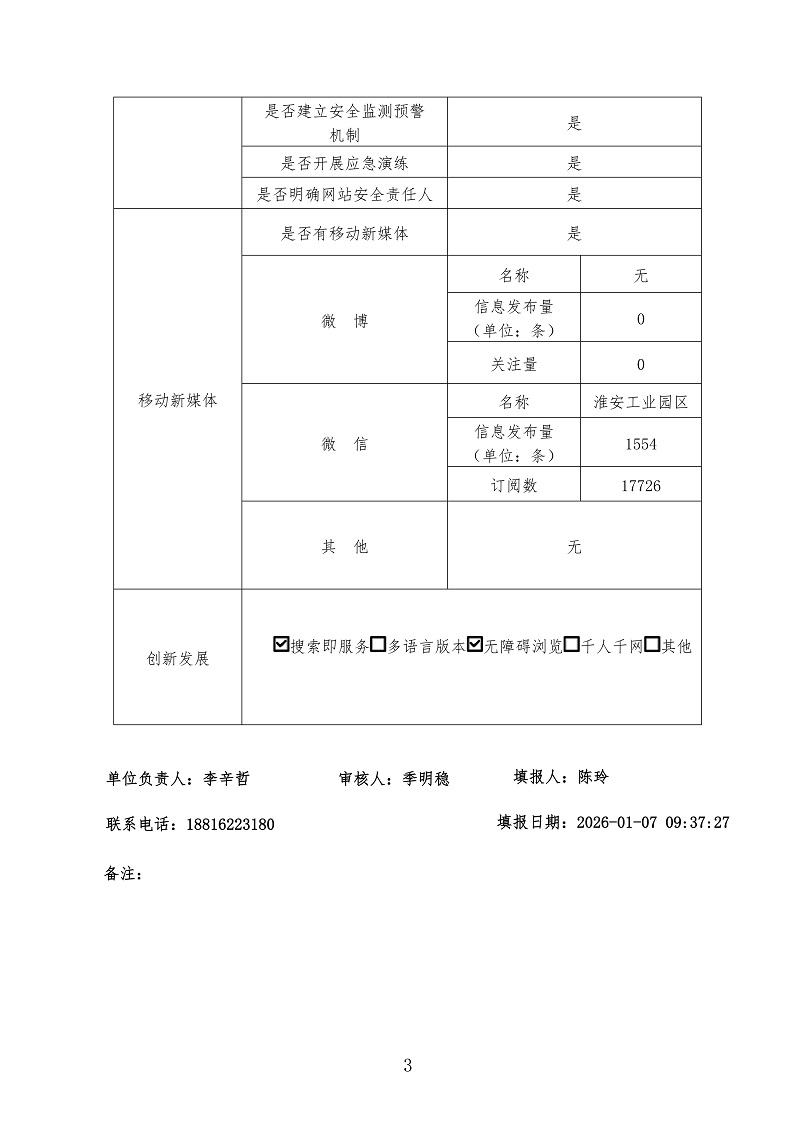
淮安工业园区政府网站工作年度报表(2025年度)

2025年年度工作报告_01.jpg

2025年年度工作报告_02.jpg

2025年年度工作报告_03.jpg

() 
江苏淮安工业园区